www.алюминий.com.ua      
  18-04-2026
(044)-299-31-22
На главную     |     О компании     |     Новости     |     Контакты     |     Ссылки
Каталог алюминиевых профилей
Сварочные работы
Заказать профиль
Уголок равносторонний
Уголок разносторонний
Труба круглая
Труба круглая аналог Д16Т
Труба круглая толстостенная
Труба квадратная
Труба квадратная аналог Д16Т
Труба прямоугольная
Станочный профиль
Швеллер
Полоса / Шина
Тавр
Двутавр
Z-профиль
L-профиль
Ш-профиль
Порожки
Пруток
Радиаторный профиль
Светодиодный профиль
Профиль для корпусов
Клик система
Рамочный профиль
Торцовочный профиль
Профиль для торгового оборудования
Спец профиль
Профиль для лайтбоксов
Мачтовый профиль
Вагонка
Услуги
НОВОСТИ, АКЦИИ
01.02.2018
  Переучет 01-02.02.2018!

Переучет 01-02.02.2018!
27.12.2017
  График работы на праздники

График работы на праздники
12.10.2017
  График работы на праздники

График работы на праздники
10.08.2017
  Переучет!

Переучет 11.08.2017!
Телефоны:

(044)-299-31-22
(096) 817-57-42
(099) 310-27-66

Skype: ukrprofile

ул. Винницкая 14/39 , г.Киев

 

Z-профиль
 

 
Показывать на странице по
 
Название Фото Чертеж Назначение
(описание)
Цена,
(грн.)
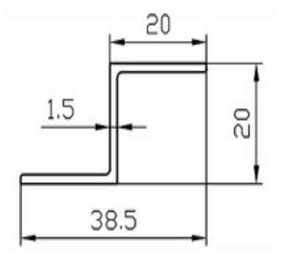
Алюминиевый профиль
20х20х20х1,5
ПАС-0508 б.ц.


Увеличить
Алюминиевый Z-профиль
анодированный АН21 цвет серебро
Длина профиля - 6 метров
Сплав АД31Т5
Профиль общего назначения

Есть в наличии

Цена указана за 1 м.п.
48.83
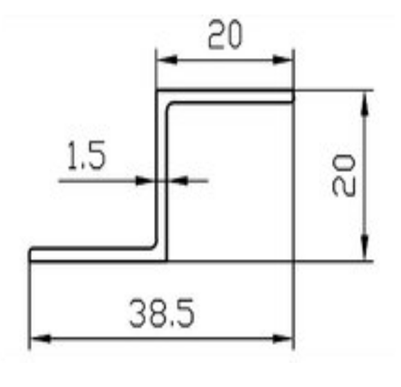
Алюминиевый профиль
20х20х20х1,5
ПАС-0508 б.п.


Увеличить
Алюминиевый Z-профиль
без покрытия
Длина профиля - 6 метров
Сплав АД31Т5
Профиль общего назначения

Есть в наличии

Цена указана за 1 м.п.
37.26
 
Показывать на странице по
 
(044)-299-31-22 Магазин "АЛЮМИНИЙ" © 2010, Все права защищены
© 2010, Веб-дизайн и программирование "AV.Com"